您当前的位置:首页 > 产品中心 > 无极变速机
详细介绍:
mb行星无极变速机主要由压紧的主动轮装置、摩檫传动机构、调速控制机构组成。MB系列行星摩擦式机械无级变速器主要由压紧的主动装置、摩擦传动机构、调速控制机构组成。mb行星无极变速机是带锥度的主动轮和压盘被一组碟形弹簧压紧,输入轴与主动轮用键联接,而组成压紧的主动装置。一组带锥度的行星摩擦轮内侧夹在压紧的主动轮和压盘之间,外侧夹在带锥度的固定环和调速凸轮之间,而组成摩擦副;当压紧的主动装置运转时,摩擦轮就做纯滚动,由于固定环和调速凸轮不动,因此,摩擦轮在自转的同时作公转运转,通过行星摩擦轮的中心轴及滑块轴承而带动行星架转动。


mb行星无极变速机的安装:
1、输出轴在加装联轴器、皮带轮、链轮等时,请勿重击。应用输出轴外端螺孔,旋入螺钉,压入联接件。
2、在基础上安装底座式无级变速机时应校准该机的安装中心线标高,水平度及相联部件的相关尺寸,校准传动轴的同轴度不应超过联轴器允许的范围。
3、立式MB无级变速机可任意角度安装,油位必须超过较高一侧的油标中心线。
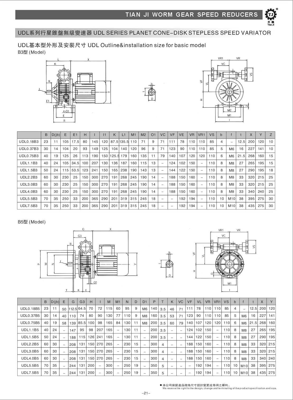
以下是mb行星无极变速机外形尺寸参数图


















