您当前的位置:首页 > 产品中心 > WP蜗轮蜗杆减速机
上一篇:WPX蜗轮减速机,WPX蜗杆减速机,卧式WPX蜗轮蜗杆减速机
下一篇:WPDX蜗轮减速机,WPDX蜗杆减速机,WPDX涡轮减速器,WPDX涡杆减速器
详细介绍:
WPO减速机,铸铁减速机,WP蜗轮蜗杆减速机是东莞市台机减速机有限公司(台湾天机牌)生产厂家制造销售的一款工业减速机,在用于传递动力与运动的机构中,减速机的应用范围相当广泛。
WPO减速机,铸铁减速机,WP蜗轮蜗杆减速机内部结构及安装参数:基本结构主要由传动零件蜗轮蜗杆、轴、轴承、箱体及其附件所构成。可分为有三大基本结构部:箱体、蜗轮蜗杆、轴承与轴组合。箱体是蜗轮蜗杆减速机中所有配件的基座,是支承固定轴系部件、保证传动配件正确相对位置并支撑作用在减速机上荷载的重要配件。蜗轮蜗杆主要作用传递两交错轴之间的运动和动力,轴承与轴主要作用是动力传递、运转并提高效率。

WPO减速机,铸铁减速机,WP蜗轮蜗杆减速机部分附件解说如下:
1.油盖/通气器,主要用于排出涡轮蜗杆减速机机箱内的气体;
2.端盖,分为大端盖和小端盖,端盖为固定轴系部件的轴向位置并承受轴向载荷,轴承座孔两端用轴承盖封闭;
3.油封;主要使用防止机箱内部的润滑油外泄,提高润滑油的使用时间;
4.放油螺塞,主要用于更换润滑油时排放污油和清洗济;
5.油标盖/油标,主要用于观察涡轮蜗杆减速机机箱内部的油量是否达标;
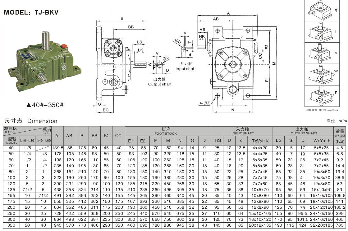
以下是WPO减速机,铸铁减速机,WP蜗轮蜗杆减速机型号选型表
















